产品中心

Product Center

当前位置:首页 >> 产品中心 >> 轻触开关系列
TMHU13
TMHU13

产品特性

4向+中心推式
紧凑的尺寸,节省空间
回流焊

应用范围

医疗设备
音频
消费电子产品
安全装置

产品参数

项目
参数
工作温度范围
-30℃ to +85℃
电气性能
额定功率
50mA. 12V DC
绝缘电阻100MΩ min. 100V DC
介电强度250V AC for 1 min.
接触电阻500mΩ max.
耐用性寿命100,000Cycles
机械性能作用力4-direction 160±50gf    Center push 280±100gf
行程
0.25±0.1mm    Center push 0.15±0.1mm

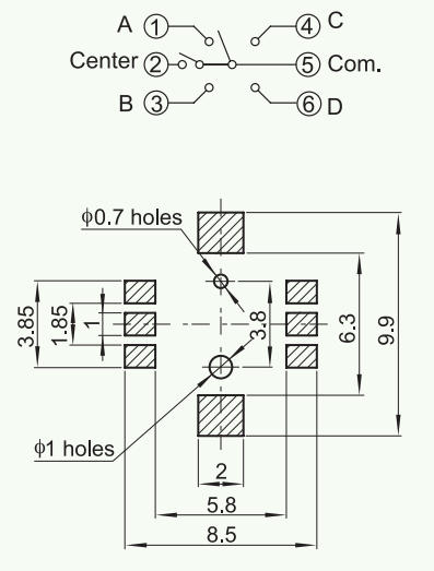
规格图

线路图

在线询价
相关产品
Copyright © 2024 乐清市东迅电子有限公司 All Rights Reserved. | 浙ICP备2024113880号
Top